Model Number
-
1
TJ16K (BOM: P7791134W)
-
2
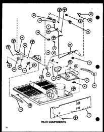
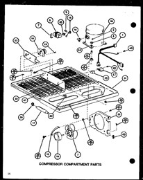
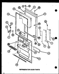
Choose the diagram of the component your part is located in:
-
3
Loading parts of sections