Model Number
-
1
TJ18N (BOM: P1106111W)
-
2
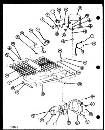
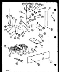
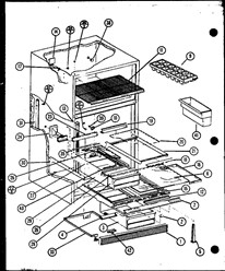
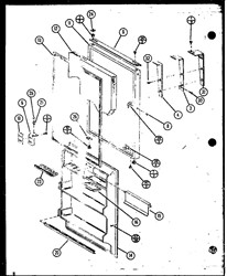
Choose the diagram of the component your part is located in:
-
3
Loading parts of sections