Model Number
-
1
TJ20M (BOM: P7859222W)
-
2
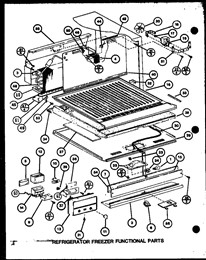
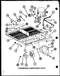
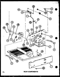
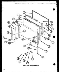
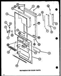
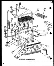
Choose the diagram of the component your part is located in:
-
3
Loading parts of sections