Model Number
-
1
TJ20N (BOM: P1106114W)
-
2
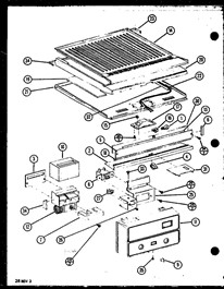
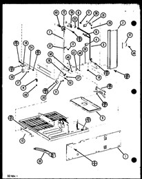
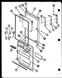
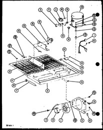
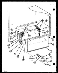
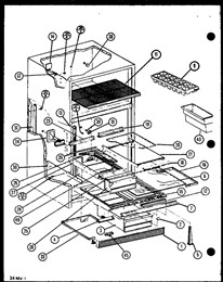
Choose the diagram of the component your part is located in:
-
3
Loading parts of sections