Model Number
-
1
TR18K (BOM: P7791126W)
-
2
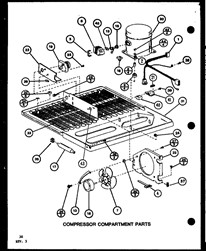
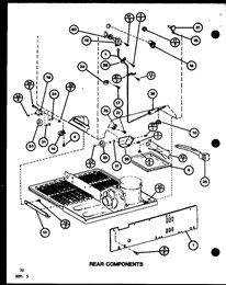
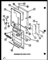
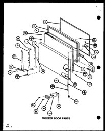
Choose the diagram of the component your part is located in:
-
3
Loading parts of sections