Model Number
-
1
TR18M (BOM: P7859226W)
-
2
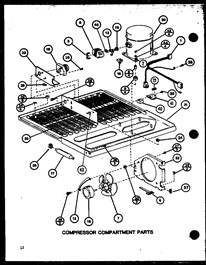
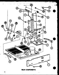
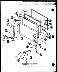
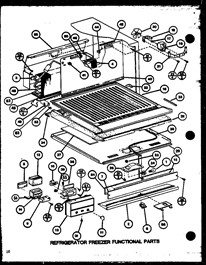
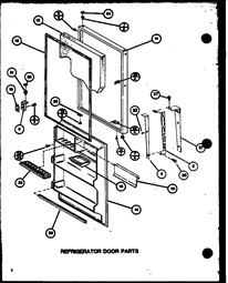
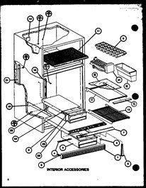
Choose the diagram of the component your part is located in:
-
3
Loading parts of sections