Model Number
-
1
TR18N (BOM: P1106107W)
-
2
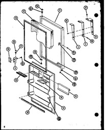
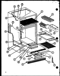
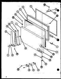
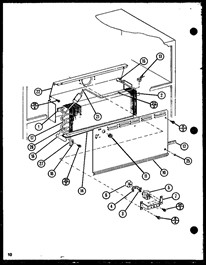
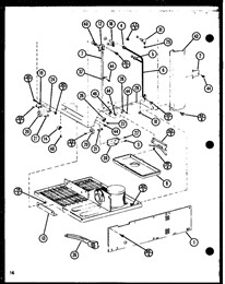
Choose the diagram of the component your part is located in:
-
3
Loading parts of sections