Logo not found !
North Durham Appliance Parts
Shipping Only, No Pick Up
  • SHOP PARTS
      • Kitchen
      • range
      • dishwasher
      • trash compactor
      • freezer
      • refrigerator
      • microwave
      • oven
      • cooktop
      • grill
      • range hood
      • Laundry
      • dryer
      • washer
      • laundry center
      • Total Home
      • air conditioner
      • air filter
      • dehumidifier
      • air purifier

Home » Model Search for TRI16K (BOM: P7803238W)

Model Number

TRI16K (BOM: P7803238W)
  • 1

    TRI16K (BOM: P7803238W)

  • 2

    Choose the diagram of the component your part is located in:

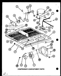
    01 - COMPRESSOR COMPARTMENT PARTS
    banner
    Click to View Diagram
    02 - FZ DOOR PARTS
    banner
    Click to View Diagram
    03 - INTERIOR ACCESSORIES
    banner
    Click to View Diagram
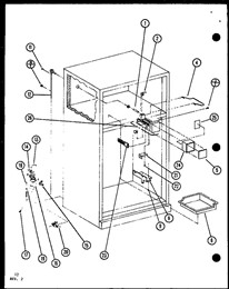
    04 - Page 4
    banner
    Click to View Diagram
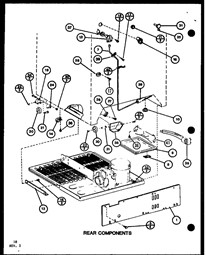
    05 - REAR COMPONENTS
    banner
    Click to View Diagram
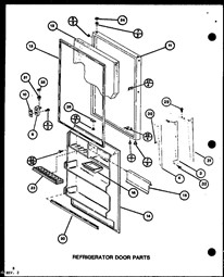
    06 - REF DOOR PARTS
    banner
    Click to View Diagram
    07 - REF FZ FUNCTIONAL PARTS
    banner
    Click to View Diagram
  • 3
    Loading  Loading parts of sections

pic1 pic1 pic1 pic1 pic1

Copyright ©2016 PartsQuik, All rights reserved. Powered by Marcone

Yes No
Yes No

California Prop 65

There are items in you cart that have Proposition 65 warnings, please review and approve before continuing.
Return to cart Proceed to checkout